Счетчик электрической энергии однофазный статический AD11A.M

Счетчик электрической энергии однофазный статический AD11A.M
Счетчик электрической энергии однофазный статический AD11A.M
Счетчик электрической энергии однофазный статический AD11A.M
PLC (FSK)
PLC (S-FSK)
PLC (OFDM)
PLC +RF
GSM/GPRS
RS-485
Описание:

AD11A.M – счётчик электрической энергии однофазный статический двунаправленный. Обеспечивает измерение активной и реактивной электрической энергии и значений следующих параметров потребления электроэнергии: активной, реактивной и полной мощности, действующих значений фазного напряжения, фазного тока, тока нейтрали, разности фазного тока и тока нейтрали, коэффициента мощности, коэффициента реактивной мощности (tg φ), частоты сети, положительного и отрицательного отклонения уровня напряжения, отклонения частоты, длительности перенапряжения в однофазных двухпроводных электрических сетях переменного тока напряжением 230 В.

Для реализации дистанционного сбора данных и управления счётчиком применяются коммуникационные модули (КМ), устанавливаемые в специальный отсек в корпусе счётчика. Применение КМ обеспечивает возможность гибкого использования различных каналов связи, доступных на месте эксплуатации счётчика. В зависимости от установленного КМ сбор данных может осуществляться по линиям 0,4 кВ, по радиоканалу 868 МГц или с использованием GSM/GPRS. Вся изготавливаемая линейка КМ реализована в унифицированном корпусе. Без применения КМ сбор данных и управление счётчиком возможны по двухпроводной линии RS-485.

При наличии необходимого интерфейса в КМ возможна передача информации на пользовательский (удалённый) дисплей CIU8 по радиоканалу. Счетчик оборудован силовым реле и кнопкой блокировки реле.

Характеристики
Размеры
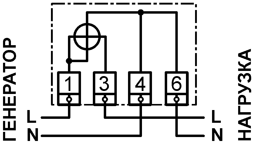
Схема подключения
Класс точности – активная (реактивная) энергия 1 (2)
Количество направлений учёта Импорт, экспорт
Постоянная счётчика, имп/(кВт·ч) [имп/(кВАр·ч)] 1 000 [1 000]
Чувствительность – активная (реактивная) энергия, А 0,02 (0,025)
Самоход – не более одного импульса за время, для активной (реактивной) энергии, мин 33 (26)
Минимальный ток – активная (реактивная) энергия, А 0,25 (0,25)
Базовый (максимальный) ток, А 5 (80)
Номинальное напряжение Uном, В 230
Рабочие диапазоны напряжения, В:
- установленный, от 0,8 Uном до 1,2 Uном
- расширенный, от 0,5 Uном до 1,3 Uном
- предельный, от 0 В до 1,9 Uном

От 184 до 276
От 115 до 184 и от 276 до 300
От 0 до 115 и от 300 до 440

Номинальная частота сети, Гц 50
Масса, не более 0,5 кг
Мощность, потребляемая: - цепью напряжения, активная, Вт (полная, В·А), не более
- цепью тока, В·А, не более
1,0 (2,7)
0,1
Ток потребления цепью напряжения, А, не более 0,012
Резервное автономное питание - Встроенная литиевая батарея 3,6 В;
- Сменная литиевая батарея 3,6 В в отсеке КМ
Коммуникационные интерфейсы - RS-485 – для подключения к локальной сети или к УСПД;
- Оптический ИК порт – для локального параметрирования;
- Универсальный синхронно-асинхронный приёмопередатчик с линиями управления питанием и состоянием передачи – только для подключения КМ
Датчики Вскрытия корпуса; вскрытия клеммника; магнитного поля; высокочастотного электромагнитного воздействия; вскрытия отсека КМ; наличия КМ в отсеке
Реле управления нагрузкой, основное:
- номинальный ток контактной группы, А
- максимальный ток контактной группы, А
- коммутационная износостойкость, циклов, не менее

80
100
3 000
Кнопка блокировки реле Поворотно-нажимная, нефиксируемая, пломбируемая
Число тарифов в расписании, не более 6
Число переключений между тарифами в сутки, не более 12
Точность хода часов в диапазоне от –40 °С до +70 °С, с/сут, не хуже ± 5
Интервал между поверками, лет: 16
Степень защиты оболочкой IP51
Габаритные размеры (высота × ширина × глубина), мм 175 × 120 × 75
Масса счётчика без КМ, кг, не более: 1,0
Задайте вопрос!